65 Mustang BlastShield


General

A few years ago there were several television programs showing what was supposed to be a design flaw in the Mustang. In a severe rear end crash, the gas tank would rupture and gasoline would splash through the rear seat into the passenger compartment and burn the occuppants. There have been many many arguments about the validity of the television report, to the point that I consider it an un-winable argument. The reason I built the blast shield described here was that I saw a frame-by-frame film of the rear end crash, and the gasoline did splash into the compartment.

One thing about the film that was different than the television reported crash was that the fuel did not go through the rear seat. The collision buckeled the trunk lid, broke out the rear glass, and ruptured the tank. Fuel and the fireball went through the buckeled part of the trunk lid and was sprayed into the compartment through the broken out rear glass. No kind of shield could have stopped this fireball.

My goal in making this shield was to stop another easy route for gasoline from a ruptured tank that exists in the rear package shelf behind the rear seat. This shelf has large cutouts for speakers and provides no protection from a gasoline explosion in the trunk. I think a panel positioned behind the package shelf will provide at least some measure of protection.

Sheet Metal Panels

The shield is made from four pieces of sheet metal, this panel fits behind the rear seat to slow the fireball that may occur during a rear-end collision. The panel is positioned behind the package shelf to prevent fuel and flames from passing through the rear speaker cutouts. Construction is simplified, strength is improved, and sealing is tightened by using four panel pieces instead of a more conventional single piece of sheet metal.

Below are the cutout diagrams for two of the panels. Make two sets from each layout and then bend the tabs in the oppossite directions for right and left side.

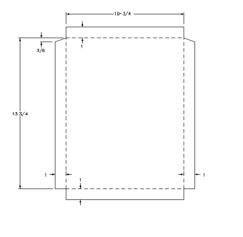
Dimensions of right and left panels

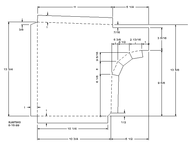
Dimensions of center panels

INSTALLATION

Remove the rear seat.

The bent lip goes inside, toward the rear seat. Okay, toward where the rear seat was before I told you to remove it. I pre-drilled holes in the panels and then used self tapping sheet metal screws to attach the panels. I used the type of screw that has a mini-drill-bit built in so I didn't have to drill a pilot hole in tight quarters. I kept hole spacing at under 4-inches.

The top edge of the panels sits in the channel that runs just behind the package shelf. Position the panels in place before you drill the mounting holes as some minor tweeking with a small hammer will be necessary to get a good fit. A couple of c-clamps helps to hold the four panels together during fitting. I would then mark the location of the panels and drill any holes needed. Before you finally attach the panels, remove them and run a bead of butyl caulk where the panel will contact the body or another panel. This is not for sealing out gas. It is to prevent vibration from the rear speakers causing any rattling sounds when the radio volume is high. I also painted the panels to match the trunk before the final installation.

SIDE BENEFIT

I found that if I packed the space between the rear seat and the blast panel with dacron fiber ( the kind you get for padding or pillows at the fabric store) the sound from the rear speakers was greatly improved. It somewhat forms an infinite baffle enclosure and gives a good bass without being boomy.
Back to Top

References

I have searched extensively for the film of the Mustang rear end crash. It was available at a couple of sites a few years ago, but seems to have disappeared.
Back to Top

Copyright Dale Thompson.
Last revised: September 30, 2006.