Small Electronic Projects


General

The few projects on this page don't have much documentation, largely due to the fact that I didn't have a website at the time the projects were done.

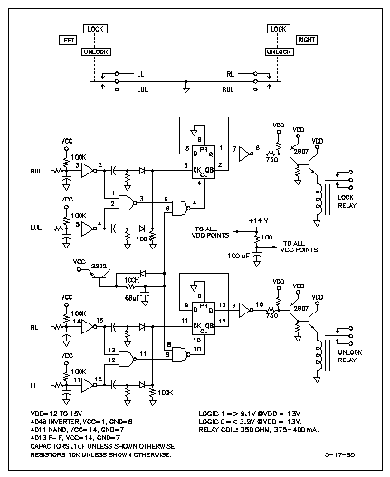
Electric door locks for Fiero

This is a scheme to add Electric door locks to a Fiero that didn't come with them. The lock hardware came from a junked car, but the switching logic was fabricated. A microswitch is linked to the bar connecting the inside lock slide to the outside key lock. When the door is unlocked or locked using the key , or the inside lock slide, both doors are unlocked or locked.

Fiero door lock schematic
Back to Top

Macrovision decoder

To play Macrovision - protected DVDs in a player that is coupled through a VCR connected to a TV that does not have a video input, the protection must be removed before the VCR will pass the video to its RF modulator.

Macrovision decoder schematic diagram
Back to Top

Copyright Dale Thompson,
March 18, 2009 through
last revision on 1 August 2017.