LED Flashlights


General

I like LED flashlights because they produce a constant light output until the batteries are completely dead. My plan was to use a small battery and drain it quickly. I wanted a common battery so I would generally have a replacement handy. No C batteries, 9-volt batteries,lithium batteries, or the like. I wanted the flashlight to be squat so I could hold it in my mouth, throw it in mypocket, and lay it on a surface with the beam shootingup. I wanted to build it for about $15, which was around 1/4 what they were selling for when I started the project.

What Happened

Prices dropped. When the Dorcy 41-4262 got down to $20 and lithium batteries got down to $1.50, it didn't make sense to build my own flashlight. So I bought the Dorcy and published a link page: what I bought, how it performs, a collection of the led circuit references that I collected before I decided to buy.

Then pretty decent looking multiple-led flashlights started appearing. I bought one and found it looked good and worked good, but had some problems with consistant light output. I had no time to play with a circuit design, so I just used it.

When the price of a 9-LED flashlight got down to $4.50 including shipping, It was time to play. At that price, about the price of a magazine at the news stand, a failed project is disposable.

Dorcy 41-4262

This flashlight met one of my design criteria; I can throw it in my pocket. It is too heavy to hold in my mouth, but I can do it better than with a Maglite. It puts out a nice spot beam and is good for searching out things in tight places. You can balance it so it shoots the light upward, But, the little rubber switch cover on the end doesn't quite get below the metal surface and the flashlight is not stable aimed upward. I am still on my first battery so I can't comment about light output as the battery discharges. So why am I overall satisfied with it?

Check out this review. It pretty well sums up my feelings. The flashlight is a well constructed, well performing flashlight at a good price.

Dorcy Flashlight Photo
Dorcy 41-4262
Compliments of Dan's Data


A second review gives the numeric details and also concludes that it is a good performer. The second review states that the flashlight is unregulated, which I think is a little mis-leading. True, the dc-to-dc inverter is not a true regulator, but it does keep the light output above 50% of maximum until the battery voltage drops to 2.5 volts. At 2.5 volts the lithium battery has reached its voltage dropoff curve and VERY quickly drops its voltage toward zero.

No-Name Hamfest Bargain

This flashlight was showing up at flea markets and ebay outlets. It cost $1.30 in lots of 200 from wholesalers. One sold under a Muyan brand was reviewed and the review is pretty accurate. A Wolf brand sold by Advancedmart (no longer available there)was also reviewed, and if you look at the reviews, you can see they are the same flashlight. The one I bought was from a vendor at a Hamfest. I paid $6.99. I saw them from $5.99 (plus shipping) to $21.99, same flashlight.

So, how does it compare? It is put together well. It doesn't have the serrations in the case that the Dorcy has that keep it from rolling. It uses three AAA cells instead of a CR123 lithium battery. It is a little bigger than the Dorcy. It can't be placed on a table and aimed upward. It doesn't have any electronic dc-to-dc converter or regulator. In fact, it relies on the internal resistance of the batteries for current limiting and doesn't even have a resistor. Probably won't have a long life with that arrangement. The light color is a little bluer. It has a nice floodlight pattern instead of the more focused beam from the Dorcy. I use both flashlights depending on whether I want to light a large area or a small area.

At $6.99 I would buy it as a case for a Luxeon LED flashlight if I still wanted to build one. I might add a dc-to-dc inverter to keep light output more constant, and to extend the life of the LEDs. Right now I am just going to use it, as is.

Flashlight Photo


Modified 9-LED Project, Charge Pump Version for 3 AAA Cells

Prices keep dropping: $8.99 for two, including shipping, from SurplusComputers. Case quality was good. but the front LED assembly was pressed in, instead of a threaded section that could be disassembled. Not as good as the No-Name Hamfest Bargain. It was only $4.50. I saw one today, 16 January 2006, selling for $2.88 each in quantities of two at DealExtreme.

Circuit: A charge pump buried in the plastic, removeable, three-battery holder. All connections make contact when the holder is inserted. The tailcap switch supplies only a disabling ground signal, not the power ground.

The charge pump is a Maxim MAX1577Y. It is a micro-sized, 3-mm x 3-mm, suface-mounted component. It can supply 1.1 amps from 2.7 to 5.5 volts input; I only wanted 180 milliamps at 2.7 to 4.5. I have a bunch of 2.2 uF suface-mount capacitors that I could use for the 4 uF, 2.2 uF, and 10 uF capacitors recommended by Maxim. So what else is needed. A contact board for the battery holder, a circuit board, and a handmade 0.333-ohm current sensing resistor?

A 0.333-OHM CURRENT SENSING RESISTOR! HOW DO YOU MAKE A 0.333-OHM CURRENT SENSING RESISTOR? Calm down, calm down. It isn't that hard. Nichrome wire? Maybe themocouple wire? Hey! Omega uses a nichrome-nickel wire in their type K thermocouple wire. At .095 inch diameter it is a good size. Three feet of it measures 11.8 ohms; that is 0.328 ohms per inch. Close enough: 0.328 ohms should set a current limit of 183 milliamps. Just wind the wire on a small resistor and solder the ends. You can't solder nichrome! No? Try a little plumbers flux that has zinc chloride in it. No problems mate. Just make sure you get all the flux off after you have it soldered. Wipe it, clean it with a solvent, then neutralize it with a baking-soda/water solution.

Project Flashlight Photo
The candidate flashlight with
the un-modified battery holder


The charge pump uses a very small circuit board, so I used a very simple board etching process with tape as my etching resist. The only drawback to the simple process is that it does require a fairly wide angle 30-power microscope.

First, I did a board layout using DesignCAD and printed the layout on a laser printer. The line width was about 0.5 mm. I measured the pad positions where the MAX 1577Y would be going so I could adjust their position and size if needed.

A piece of double-sided pc board was covered with Scotch brand Magic Tape and firmly rubbed onto the board. Next, the board was taped to the backside of the printed layout sheet. I then used a new, sharp, Exacto knife blade to cut the lines out of the printed layout, making sure I also cut the tape below. The final steps were to peel off the cut tape lines from the board and etch it.

I tinned the etched board using solder paste, but applying it by hand gave me a very uneven surface. So, I used solder wick to remove all I could, and that left the surface fairly even. However, the solder paste used water soluble flux that was easy to clean up with alcohol while the solder wick flux was not as easy. I recommend avoiding the solder-wick cleanup. Soldering the MAX1577Y was the real challenge. I decided to put it on first, and then go back and add the other components. I used very small dots of solder paste, then placed the chip on the board. Solder reflow was done using a Weller 6966C hot air gun. All this was done under a microscope. Additional solder paste was added at the edge of the chip pads when the remaining capacitors and resistors were added, and then a second reflow was done.

circuit board layout circuit board layout circuit board photo
Charge pump circuit board


I had to modify the battery holder in order to bury the charge pump board in it, and to add a contact ring to the LED ground.

The contact ring is a piece of pc circuit board cut in a ring and glued to the front end of the battery holder. It makes contact with the soldered negative leads of the LEDs on the flashlight LED mounting board. By way of this connection, a ground is supplied through the case to the tailcap switch to enable and disable the charge pump.

One of the three pillars of the batterry holder was gouged out to mount the charge pump pc board. The component side of the board is burried in the pillar with the backside of the board out toward the case. Heat from the MAX 1577Y is transfered to the backside foil and the case by the two heat transfer wires soldered in the pc board.


battery holder modification
Wiring changes to the
battery holder


Modified battery holder
Completed battery holder modification


As you can see in the schematic diagram below, the LEDs are all connected in parallel with no series resistors. This is the way the flashlight is built. The LED Vf must be fairly equal or they would likely have died one-at-a-time when I first put batteries in the flashlight. However, with the charge pump keeping the current at 180 ma, the current through individual LEDs should be between 10 ma and 40 ma if I am lucky. I am hoping that the Vf is fairly equal and the individual LED current is more tightly grouped around 20 ma.


charge pump schematic diagram
Charge pump schematic diagram

Back to Top



Modified 9-LED Project, Single AA Cell Version


I currently have modified 5 of the 9-LED flashlights to use a single AA cell using 5 different configurations. The descriptions of each modification is given below, but let me summarize them here.

1.    MAX1797, ferrite core inductor, voltage regulator
Straight-forward voltage regulator adjusted with a potentiometer until it supplied 180ma to the heat-stabilized LEDs.

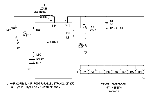
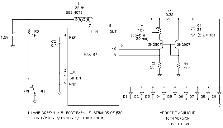
2.    MAX1674, hand-wound air-core inductor, voltage regulator
About the same as the MAX1797 circuit, except I wound the inductor using multiple strands of #30 wire in parallel.

3.    MAX1797, hand-wound air-core inductor, constant-current regulator
The MAX1797 voltage regulator, with a hand-wound air-core inductor and a two-transistor current mirror to convert it into a constant-current regulator. Could not get current above 138 ma.

4.    MAX1674, hand-wound air-core inductor, constant-current regulator
The MAX1674 voltage regulator, with a hand-wound air-core inductor and a two-transistor current mirror to convert it into a constant-current regulator. Uses shutdown control to decrease current through "clicky" switch.

5.    LTC3490, hand-wound air-core inductor, constant-current regulator
Current regulator device eliminated need for extra transistors used in MAX1797 constant-current circuit.

6.    LTC3490, hand-wound air-core inductor, constant-current regulator
Same as previous LTC3490 circuit, except for use of surface-mount package and single-strand air-core inductor. Built to try and find out why current was being limited to 150 ma.

AA V-boost circuit using MAX1797 and a commercial ferrite-core inductor

The charge-pump circuit for use with 3-AAA cells worked very well and supplied a constant light output until all the cells drooped to 0.9 volts. But I thought the three cells at $.20 each, and an average converter efficiency of 72% for the charge pump could be improved upon by using one $.20 AA cell with an 85% efficient converter.

Circuit: An inductive voltage booster built in a replacement for the original plastic, removeable, three-battery holder. Like the charge-pump modification, all connections make contact when the holder is inserted. The tailcap switch in this modification supplies the power ground.

The voltage booster is a Maxim MAX1797. It is an 8-lead, umax package, suface-mounted component. It can supply 1 amp from 0.9 to 1.5 volts input. It is not a current regulator, so I included a potentiometer to set the voltage to get the 180 mlliamps I needed for the 9-led flashlight. I used a bunch of 2.2 uF suface-mount capacitors for a 20-uf output capacitor, and completely left out the input capacitor

The battery holder in this version includes the circuit board and the contact ring to the LED supply and ground. I layed out the pieces of double-sided pc board using DesignCAD, taped them and etched them like I did with the charge-pump version, then soldered all the pieces together to make the battery holder.

Working with solder paste requires more care than using solder wire. The small balls of paste get in to every crevis and can cause shorts or low resistance paths. This happened to me this time. I can't be certain, but I think that when I was using the soldering iron on some solder paste, the flux containing some solder balls flowed into the gap between the circuit board pieces. The result was a 4-ohm resistance from the battery + to the MAX1797 output, and a lot of work rebuilding the battery holder. Solder paste is excellent for surface mounted components, but it should be reflowed in an oven or hot-air source so that all the solder melts at about the same time.


Battery holder layout
1797 battery holder layout


Battery holder pieces layout
Layout of pieces to make 1797 battery holder


When it was all put together, it was the same size and shape as the modified battery holder for the charge-pump version.


Replacement battery holder
Replacement 1797 battery holder-circuit side (not latest layout)


Replacement battery holder
Replacement battery holder-battery side (not latest layout)


The charge pump version worked okay with a constant current of 180 ma feeding the LEDs all connected in parallel with no series resistors. The LED Vf must be fairly equal and the individual LED current tightly grouped around 20 ma. So the same assumption about the LED Vf was used for this version. After the output voltage was adjusted for 180 ma, brightness of individual LEDs seemed equal and there has been no problem so far.

I found the current to the LEDs increased significantly as they heated up when power was applied. To get 180 ma to the LEDs when they had stabilized, I had to adjust the voltage-control potentiometer for about 125 ma and then wait for the current to rise and stabilize at 180 ma.


booster schematic diagram
MAX 1797 Voltage Booster Schematic Diagram


Just a few comments and updates about this project.

I have not checked the converter efficiencies. My useage varies, but having a flashlight on for more than 5 minutes at a time is rare for me. Testing the flashlight converter efficiency against the charge-pump version by running it continuously would be unrealistic, and would likely penalize this converter due to the shortened ma-hr rating of the battery at high loads.

My gut feeling is the charge-pump converter does reach the calculated 72% efficiency, but the inductor based converter does not get 85%. However, even though the single battery has to be replaced more often, the useage cost of the inductor-based circuit is lower due to the higher cost per ma-hr of the AAA cells. All this being said, the charge-pump version is easier to build. So, it really comes down to which one I "like" the best.

By the way I bought two of the 9-LED flashlights at DealExtreme for $2.88 each and they are better built than the ones I got at SurplusComputers at $4.50. The LED head assembly is screwed on instead of pressed in, which makes modding easier. Unfortunately, just like the Ford Model T, it is available in any color as long as it is black. I like the titanium colored ones better.
Back to Top



AA V-boost circuit using MAX1674 and air-core homemade inductor

A second version of the AA inductive voltage booster was made to use a Maxim MAX1674 I had on hand. I also wanted to try winding an inductor without using a ferrite core, as the ferrite is an unknown entity for many people and may stop them from building a project. If you have everything on hand except an inductor, the shipping and handling to order one makes a project entirely too expensive. Calculating the inductance of a multi-layer air-core inductor is easy using the Pronine calculator. The inductor is larger than a ferrite-core one, but if you have the space the cost is low and there is no worry about saturating the core.

The schematic of the MAX1674 version is shown below. There is nothing special about this circuit, it is almost the same as the MAX1797 version.



booster schematic diagram
MAX 1674 Version Schematic Diagram


The inductor was wound using a form made from two disks of polypropylene and a 4-40 screw with a few turns of 1/8-inch wide tape wrapped around it. I used four, 5-foot pieces of #30 enameled wire in parallel. I would have used a single strand of #24, but I don’t have any and I have a lot of #30. As I wound the coil, I occasionally added a drop of polyurethane glue to the winding. The glue would work its way into the space between the strands as I wound the wire. I left the wound coil in the form overnight and then removed it. Polyurethane doesn't stick to polyethylene so the form came apart easily leaving an encapsulated coil that is easily mounted to the pc board. The final coil is .125 ID x .5625 OD x .125 thick and is 25uh. The board shown below has space to mount the air-core inductor. I was originally going to use the same inductor I used on the MAX1797 version, so my board was laid out for that inductor. When I switched to the larger air-core inductor, I could have used a little more space. There was plenty of unused space at the opposite end of the board so I revised the drawing to give more room if I decide to build another copy. The new layout will work with either inductor. I also revised the layout for the MAX1797 version so it could be used with an air-core inductor, but the original version is shown in the photos above.

Another change is the use of a 3/16-inch wide ring of 3/4-inch diameter copper pipe as the negative contact ring. This replaced a pc board contact ring and a 1/8-inch thick rubber ring and was just an easier way to build the assembly.


Battery holder layout
1674 battery holder layout


Battery holder pieces layout
Layout of pieces to make 1674 battery holder


Replacement battery holder
Replacement 1674 battery holder-circuit side


The 1674 version does not perform as well as the 1797 version in one area, starting voltage. At about 1.1 volts the 1674 will not start, but the 1797 fires up down below 1.0 volts. Also, the 1674 just stops working when the voltage gets low, whereas the 1797 begins to pulse when the battery is low. This pulsing is a good warning that you are about to be in the dark and battery change is urgent.


Replacement battery holder construction steps


1. Cut pc board pieces, buff them, mask them, and etch them. Keep surfaces that will mate with another surface square, but I advise making the pieces slightly oversize and then filing to fit during assembly.

2. Buff and tin the copper surfaces. Check for shorts and uniform spacing between conductors.

3. Make a wood block 0.571-inches wide by about 1/2-inch high by about 2-inches long for spacing the battery holding pieces.

4. Clip the two battery-holding pieces to the block, and the block to the circuit board using light clips such as giant paper clips. Align the pieces on the circuit board so they are centered side-to-side and flush at the LED contact end. Solder the battery-holding pieces onto the circuit board and remove the block.

5. File the LED contact end of the assembly to get it as square as possible. This is an important step to make sure the holder will fit in the flashlight tube. Dry fit and measure the length of the assembly to make sure everything will fit in the flashlight after it is assembled.

6. Apply a thin bead of epoxy glue to the mating edge of the filed edges of the assembly and position it on the LED contact disk. It is important that the copper of the disk and the copper of the circuit board line up at the top surface of the circuit board because they will be soldered for contact. The other copper tracks will be soldered for strength only. Apply some force to squeeze out the excess glue, then let it cure. Clamping is not necessary. When the glue has set, but not cured hard, use an Exacto knife to remove excess glue. Leave only the glue directly under the edge of the filed board edge. The glue holds the assembly together during soldering, but its main job is to prevent shorts from solder paste getting into the gap between boards. Solder the LED contact disk tracks to the circuit board tracks.

7. File the tail switch end of the assembly to get the length of the battery cavity just big enough to get the battery in with the negative terminal tension spring. Glue the tail switch disk onto the assembly as was done with the other disk and solder the tracks.

8. File the assembly so that it fits into the flashlight easily. Test fit with a battery in place.

9. Cut a 1/8-inch long piece of 3/4-inch diameter copper pipe and tin it. Solder the tinned copper ring to the LED contact disk.

10. Drill the three layer contact holes and solder a jumper wire to the layers on each side of the holes.

11. Scrape off the flux chunks then clean the assembly with isopropyl alcohol. An old tooth brush comes in handy here.

12. Check for shorts between tracks with an ohmeter.

13. Make a battery tension spring from very thin spring brass shim stock and solder it on the tail switch disk. Clean off the flux as much as possible.

14. Apply solder paste to the circuit board for the IC device and the capacitors, and reflow the solder. Clean the water-soluble paste with hot water at this point to remove any unmelted solder balls.

15. Attach the rest of the components to the board with wire solder.

16. Scrape off the flux chunks then clean the assembly with isopropyl alcohol.


Back to Top



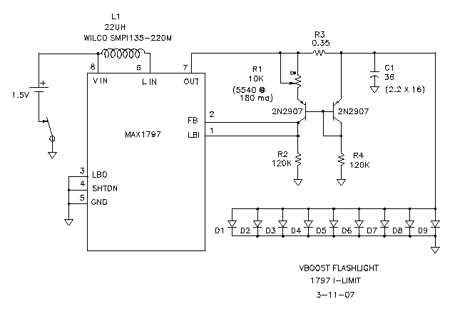
AA Constant-Current V-boost circuit using MAX1797

This is like an addiction. Each time I build one I want more. When I assembled the first two voltage-regulator boosters, I had to connect the LEDs to the booster and then wait for them to heat up and get temperature stablilized before setting the final current. This is probably okay, but what if I want to swap boosters between flashlights? And, does the current stay close to the set value when it is in a hot car glove box in the summer? The only solution seemed to be to build a constant-current version.

A search of the internet did not provide me with the current-control circuit I wanted. I needed one that had the current sensing element at the positive supply to the LEDs, not the ground end that most of them used. I also wanted a discrete transistor/resistor circuit so I could use componrnts on hand. The solution came as a current mirror.

The schematic of the Constant Current MAX1797 version is shown below. It is almost the same as the MAX1797 version.



booster schematic diagram
MAX 1797 Constant Current Voltage Booster Schematic Diagram


The current mirror is made up of two PNP transistors and resistors R1 through R4. Current through each leg of the mirror is equal. The stablilized voltage regulator feedback voltage for the MAX1797 is 1.3 volts. For 1.3 volts accross R2 the current has to be 1.3V / 120K = 10uA. The voltage accross R1 must equal the voltage accross R3 when the current through R3 is at 180mA and the current through R1 is at 10uA. The voltage accross R3 is 60mV when 180mA is passing through it. So the resistance of R1 is: 60mV / 10uA = 5540 ohms. Read this paragraph 12 times, one sentence at a time, and it may make sense. If it does, e-mail me and explain it to me.

The board shown below has space to mount either the air-core inductor or the commercial inductor, I chose to wind another inductor to see if the hand winding was repeatable. Since I was using the cut-tape etch-resist method for this trial, I laid out the board with curved lines. I thought cutting the curved lines with an Exacto blade would be easier if I didn't have to stop and change cutting direction. I was wrong. Making the curves was harder because I had to be moving the board to keep a comfortable cutting direction. So the first board you see below is what I built. The second board is a layout for using a MAX1674, that I would use if I was building another constant-current unit, not what I actually built. The second board is included to show the straight-line layout I now prefer.

You can see the battery holder layout in the other two versions above, so I am just showing the layout of the top of the main circuit pieces this time.


Battery holder layout
1797 Current-Controlling-Board Layout



Battery holder layout
1674 Current-Controlling-Board Layout


Note in the "pieces" drawing below that I changed the LED-contact-disk board layout to increase the size of the battery positive track and decrease the LED supply track. This was just to make assembly easier.

Battery holder pieces layout
Layout of pieces to make 1797 current-control battery holder


Replacement battery holder
Replacement 1797 current-control battery holder
shown with $2.88 flashlight from DealExtreme


Well, the first test was a disaster! Maximum current was 135ma, and nothing I did helped. I replaced the constant-current circuitry with a voltage divider and still no improvement. I changed the inductor to a commercial one from Wilco, replaced the capacitors, and added grounding straps and bypass capacitors to the board. Nada. The IC is marked 1797, but it acts like its little brother, the 1795. Looking at the datasheet curves for the 1795, I might guess that the upper limit with a single alkaline cell would be about 135 ma.

The current mirror did work as a current regulator. I reconnected the constant-current circuitry and the current could be set to regulate up to 125ma. The current increased about 2 mA shortly after first contact and then stayed put. I don't have another sample of the MAX1797, so I set the current regulator for 135ma output (out of regulation range) and considered the project cancelled.

I don't really think the constant-current circuitry is necessary. Setting the voltage output to give 180 ma through the LEDs when they are temperature stablized, seems to be adequate. However, I am getting some samples of a Linear Technology LTC3490 dimmable constant-current regulator. I may give it another try.

Update. The LTC3490 version described below showed me why the current regulator didn't work. It was due to the internal resistance of the AA cell. This circuit would still be useful if I was building a driver using cell with a lower internal resistance, like a CR123.

AA Constant-Current V-boost circuit using MAX1674
with shut-down used as ON-OFF control

In versions built so far, the full battery current flowed through the "clicky" switch. When the battery voltage got to about 1.15 volts, the "clicky" switch had to be turned on and off multiple times to get the circuit to start. The voltage drop across the cheap switch limited the high current needed to charge the inductor. I changed the circuit to get the switch out of the high current path by using the shutdown pin of the MAX1674. The schematic of this Constant Current MAX1674 version is shown below.



booster schematic diagram
MAX 1674 Constant Current Voltage Booster Using Shutdown, Schematic Diagram


Same construction technique was used.


Battery holder layout
MAX 1674 Constant Current Voltage Booster Using Shutdown, Board Layout


Battery holder pieces layout
Layout of pieces to make battery holder for MAX 1674 Constant Current Voltage Booster Using Shutdown Version


Not any difference in performance. The "clicky" switch is still erratic at 1.15 volts. The current regulator still doesn't work above 125 ma.


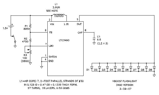
AA Constant-Current V-boost circuit using LTC3490

I received the requested samples of the LTC3490 from Linear Technology. This chip can supply up to 350 ma from a single cell. It has a built in current-sense resistor, so I don't have to make a low value resistor, just supply a reference voltage from a voltage divider to set the desired current. It is a simple way to make a constant current supply for the flashlight.

I also received four more 9-LED flashlights from DealExtreme and then made two of the LTC3490 constant current drivers for a couple of them. The first one used the SOIC package, which is larger than the Maxim uMAX package. I didn't notice that until the board was etched and the battery-holder assembly was completely together. It took a little lead bending to get the leads to sit on the pads. for soldering. I also had trouble with solder paste under the surface-mount capacitors causing a short. After multiple tries to remove the shorting solder balls, I gave up and replaced the caps. I've decided to use .030-inch diameter solder balls and water-soluable flux to attach the capacitors in the future.

A warning about soldering surface-mount ceramic capacitor. Do not use a soldering iron. Ceramic capacitors are made up of very thin layers and are suseptible to micro-cracks from the stress of sudden thermal changes, e. i. soldering iron. The micro-crack will eventually become a large crack, and a short circuit. Use an even heat such as an oven or hot-air gun to solder these components to a board.

The LTC3490 driver, like the MAX1797 constant-current driver, could not supply 180 ma., it maxed out at 155 ma. I suspected my hand-wound, multi strand, air-core inductor was the culprit. A coil wound with a single strand of #22 wire instead of the multi-strand #30 was tried.

The single strand inductor did not work any better than the multi-strand inductor, and I think I now know why. While simulating another circuit with SwitcherCADIII, I discovered that Linear Technology had added the LTC3490 to its library of devices. I put together the driver schematic and ran the simulation, using a battery voltage of 1.57 volts and a battery series resistance of 0.8 ohm. What do you know? The driver could only put out 155 ma., just what I measured. I am guessing that this was the same problem I had with the MAX1797 constant-current driver. I re-ran the simulation at 1.57 volts with the series resistance from 0.1 ohm to 0.7 ohm, and the driver showed an output of 180ma. My conclusion is that the constant current circuit is only needed when the battery is new. After a short useage, the battery itself limits current. The "LOBAT" circuit would seem to be totally useless in this application, but the simulation shows that it gives about a 5 ma current boost; maybe due to the restarting pulse after the regulator shifts to a lower output current. Only one more resistor is used, so I would leave it in.

booster schematic diagram
LTC3490 Constant Current Voltage Booster Schematic Diagram


Board layout is similar to the other versions.


Battery holder layout
3490 Current-Controlling-Board Layout


Note in the "pieces" drawing below that I changed the LED-contact-disk board layout. The battery positive track and the LED supply track are reversed from the MAX versions.

Battery holder pieces layout
Layout of pieces to make 3490 current-control battery holder




Second AA Constant-Current V-boost circuit using LTC3490 in DFN Package

To avoid the shorts I encountered with the surface-mount caps before, I tried a slightly differnt technique for this DFN version. I first used solder paste and the hot-air gun to form solder balls on the LTC3490. Then I used water-soluble flux on the package and the board to hold the package in place on the board while I reflowed the solder with the gun. This made the connections and self-centered the package on the board. One of the package pads didn't look like it had enough solder. So, I added half of a .018" diameter ball, held by flux, to the outside edge of the package where the metal pad exits the package, and reflowed it again. This worked, but requires a decent microsope to repeat. This second LTC unit is where I used the single-strand coil and found out that the battery was limiting output current to 155 ma. Performance of this one is identical to the SOIC one. Since the two LTC3490 versions are nearly the same I am just showing the main board layout below.


Battery holder layout
3490 Current-Controlling-Board Layout - DFN package


Back to Top

References

High Powered Leds,Luxeon Star Leds,UFO 1 watt Leds, Lamps and Lasers from Quickar Electronics

Led circuits

White LED Headlamp

Ultra-Small Inductorless Regulator Drives White LED Backlights

U.S. Pat 6,366,028 LED Flashlight Circuit

FF for 2.4v @25ma from 1v

Luxeon on substrate - no circuit

Analysis of 2 transistor diode clipped circuit

2-transistor simple feedback tramsformer very detailed

ELM - Pocket LED light

FET with.82 dia board

Luxeon Star LEDs LXHL-PW01 White Luxeon Emitter

White LED voltage converter - Menic pro bílou LED

Different I sense for xforner osc

Autoxformer 1 transistor

Luxeon heatsink

Detailed LED Torch Mods Star-O Pictures

LED Construction Projects

Pictures of luxeon L1-KL4 mod

MAGNETICS® Digital Library

Linear 3400 high efficiency single cell to 3.6v / 100ma

Andy's Solar-bugs

Inretech 2AA adapter in Mini Mag construction article
Back to Top

Copyright Dale Thompson.
Last revised: 8 August 2017