Level Sensor Spike Simulations


General

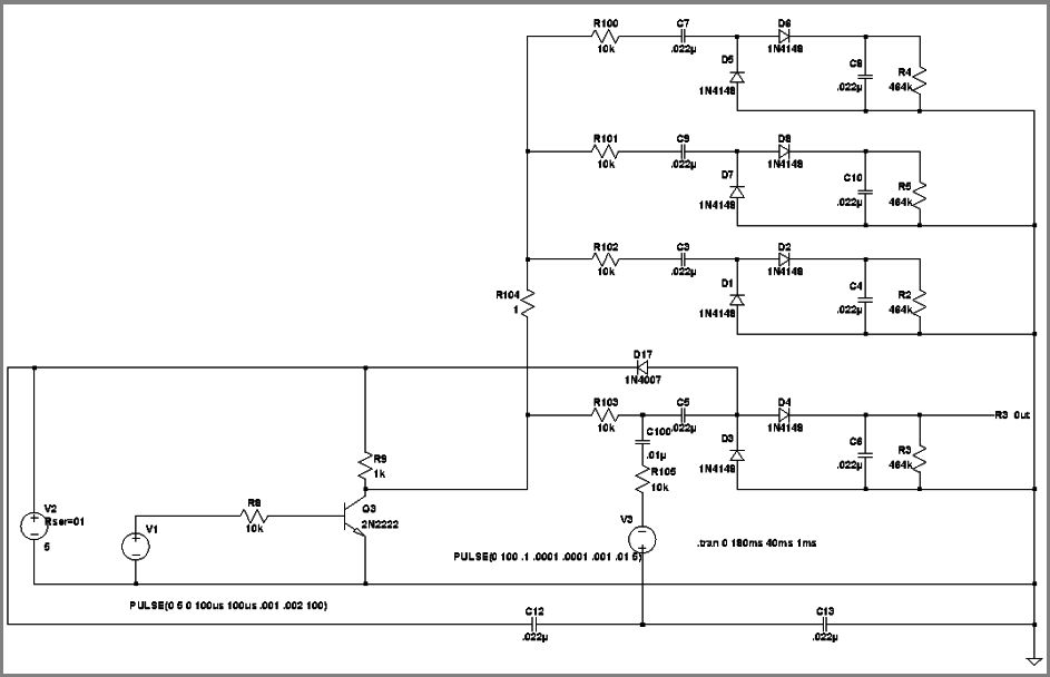
The simulations shown here use very gross assumptions about ground and water conductivity, differential voltages, and capacitance values. However, the simulations seem to show a destructive voltage spike is possible. The effect of adding diodes is also shown.

SWCAD III schematic and time plot with added diodes.

100V, 1ms pulses 5.2v peak at gate








Plot without diodes D14 through D17.

25V peak





Copyright Dale Thompson,
July 28, 2021 through
last revision on July 28, 2021.