House Projects


General

This messy page is just a collection of projects I have done,or started on and not finished. There is not enough information to use in a separate page. So If someone is working on a similar project and sees that I might have an idea or method they can use they can contact me for more info.

Rose trellis from PVC pipe

Construction of rose trellis from PVC pipe cut into strips with a bandsaw. The strips are flexible and weather resistant.

Finished rose trellis picture


Trellis dimension diagram
Back to Top

Deacorative oak floor

Using pre-finished oar flooring and polyurethane adhesive allows oar floor to be layed with decorative patterns.

Finished floor picture
Back to Top

Cantilevered bay windows

Bay windows require support from the attached wall. Incorrect installation, and sometimes correct installation can result in the window sagging or in the attached wall bulging. Support from the floor and wall is better and has been done on a 12' wide first floor window with a 2' overhang. A 7' wide window with a 4' overhang has been done and required significant structural support from the first floor wall.

Rear bay window picture
 
Side bay window picture
Back to Top

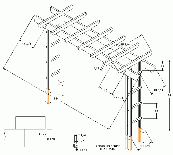
Wisteria arbor

I tried three times to kill this Wisteria plant that my wife planted too close to the house. It must have been cultivated from a healthy weed, as it just kept coming back. So since I couldn't kill it I decided to build an arbor for it to keep it from climbing onto the house.

The arbor is made from pressure treated pine 2-by lumber. Make sure the posts are ground-contact type pressure treated. Most of the stuff at Home Depot is NOT! I split a 2x4 to get the 2-1/8 and 1-1/4 pieces for the post. Use 10 foot long 2x4s forthe posts so you can get below frost line and not have to pour a footer.

Finished arbor picture

Arbor dimension diagram
Back to Top

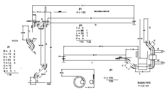
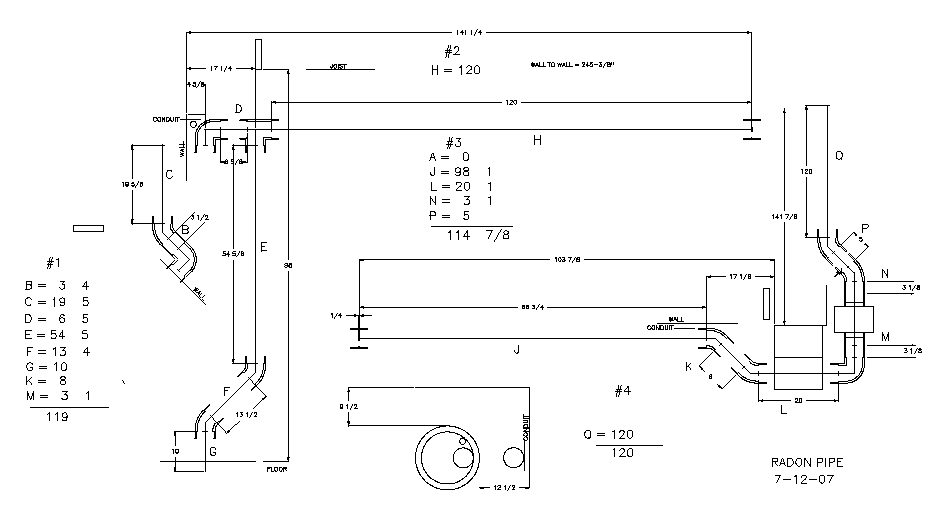
Radon Mitigation System

I put a radon mitigation system in my basement almost 20 years ago, but technology improves, and fans wear out. While my wife was vacationing in Wales, I designed a new system and started putting it in my basement.

The system draws air from the sump pump hole in the basement floor, like the old system. I added a wall connection that de-pressurizes the inside of the block walls. My house has a basement under only one-half of the house, and there was no radon removal in the old system for that area without a basement. A hole in the backside of one of the wall blocks now gives an airflow connection to the underside of the slab that doesn't have a basement.

If you are considering putting in a mitigation system, check the references I have listed below. These are just the ones I saved out of the hundreds at which I looked. The best is http://www.wpb-radon.com/ . WPB is Bill Brodhead, who deserves exceptional praise for putting so much of his basic research on a public website where compeditors have access to it. For example, check out the "Mark Dilts' water separator" on Bill's page. It's a womderfully simple design. My interpretation of EPA standards leads me to believe that draining possibly low-level radioactive condensate into the ground instead of under the slab is dis-allowed, so the drain tee below the fan is not in my system. But, there is too much information in this website to not thoroughly examine it. If the information in this website is too "technical" for you to understand, you should not be putting a system in yourself.
Finished piping
Wall and sump-pit connections

Radon piping diagram
Piping diagram

Sump valve Sump pit cover Sump pit cover with drain valve exhaust oioe bracket
Drain valve, sump pit, and duct mounting bracket
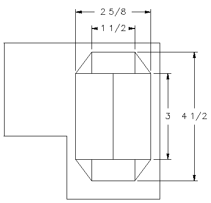
A valve made from PVC pipe fittings can be constructed to allow any water in the basement to drain while also blocking the flow of air out of the basement and into the exhaust system. The fittings are: a 2-inch-female-to-3-inch-male-adapter, a 3-1/2-inch long piece of 2-inch diameter pipe, and one-half of a 2-inch diameter drain trap. A vinyl ball forms the floating seal. The ball is a 3-inch diameter "squeeky" ball from Petsmart. A brass screw put in the squeeker hole gives weight to one side of the ball and keeps it rotated away from the ball's molded seam. Brass nuts on the screw were added to overcome the 2-inches-of-water vacuum so the ball would form a seal until the ball floats on drain water.

The sump pit cover is also homemade. It is made of pressure-treated lumber and plastic to resist the moist environment of the sump pit. One 2" x 6" x 6' board was cut into arcs and glued up to make a ring ledge in the sump pit to hold the cover below the concrete floor surface. That way, water drops into the drain and pit instead of puddling around the pit cover as is usually the case. The cover clamps the sump pump pipe and the radon exhaust pipe on one side. On the other side is the clear plastic inspection cover with the drain valve attached by eight self-tapping screws.

The final homemade item is the wall clamp for the vertical exhaust duct from the fan. I could not find a wall clamp that met the criteria I wanted for a clamp: non-staining, vibration deadening, and close to the wall. The vibration deadening property was the hardest to find. A long search of the internet did not even give a clue as to what one should look like. So, the clamp I made from aluminum, with stainless steel springs, and stainless steel screws is shown above. It is engineered with 2, 10-pound-per-inch springs to hold the 23 lbs of plastic pipe and fittings above the fan. It holds the pipe 1/2-inch from the wall. And it is completely unnecessary! The fan didn't produce enough sound to be heard inside the house with the coathanger clamp I made before my stainless-steel springs arrived. Just use an aluminum clamp and stainless-steel screws.

References for Radon Mitigation

http://www.wpb-radon.com/
WPB Enterprises. Radon mitigation installation and services company in Lehigh Valley Pennsylvania for 20 years.

http://wpb-radon.com/radon_fan_repair.html
Fan by-pass drain

https://kansasradonprogram.org/files/kansasradonprogram/DIY%20Mitigation%20Drawings%20Fact%20Sheet.pdf
Kansas /Epa drawings

http://www.radon.biz/index.asp?PageAction=VIEWPROD&ProdID=520
Radonaway RP145 fan source

http://www.ghaley.com/mitigationstandards.html
ASTMI E2121 Radon Mitigation Standards

Back to Top

Gutters

Everybody has the problem of clogged roof rain gutters. There is no solution. Gutter helmets, guards, sponges, brushes, filters, etc. just don't cure the problem. The best you can do is minimize the number of times you need to clean out the gutters. So what is the most cost effective way to do this?

Ask the Builder's Tim Carter has been testing the various "gutter guards" for a number of years and has come to the conclusion that only the micro-mesh filter actually prevents debris from entering the gutters. But the micro-mesh is so expensive that its value-per-dollar is questionable. His second choice is a plastic panel with diamond shaped holes that traps most debris. Now there is an improved version of the diamond-hole cover that has a screen attached to the topside to stop smaller debris. This is the product I am installing. It is only $2 for a 3-foot section at Home Depot; a small investment for a test.

For 15 years I have had an aluminum mesh covering my gutters. This stopped the big leaves, but the small locus tree debris and the maple tree seeds clogged the opening from the gutters to the downspouts. That opening is a stamped, 2-inch diameter funnel going into a 2 x 3 downspout; not hard to see why it clogged. So in addition to the new gutter covers, I am modifying the gutters to accept 3 x 4 down spouts.

I used a corner gutter fitting at the end of each gutter as my water collector and downspout connector. As you can see in figures below, the fitting was cut to form a large hole and provide the attachment for the downspout. This hole is much larger than can be achieved with a stamped downspout funnel. The downspout elbow was attached to the modified fitting and sealed with butyl caulk before the fitting was mounted on the roof gutters.

gutter collectors
Modification of gutter corners to make collectors

collector cutout dimensions
Collector cutout dimensions

End collector and large downspout picture
Roof rain gutters with end collector and large downspout
Back to Top

Copyright Dale Thompson.
Last revised: July 27, 2008.