House Number Spotlight
General
This is a small project to add a three LED spotlight to illuminate my house numbers that are mounted on a rock near the street. The spotlight is embedded in a cast concrete base with a removeable stone cap to allow access for future repairs.

Daylight House Numbers
|

Night-Time House Numbers
|
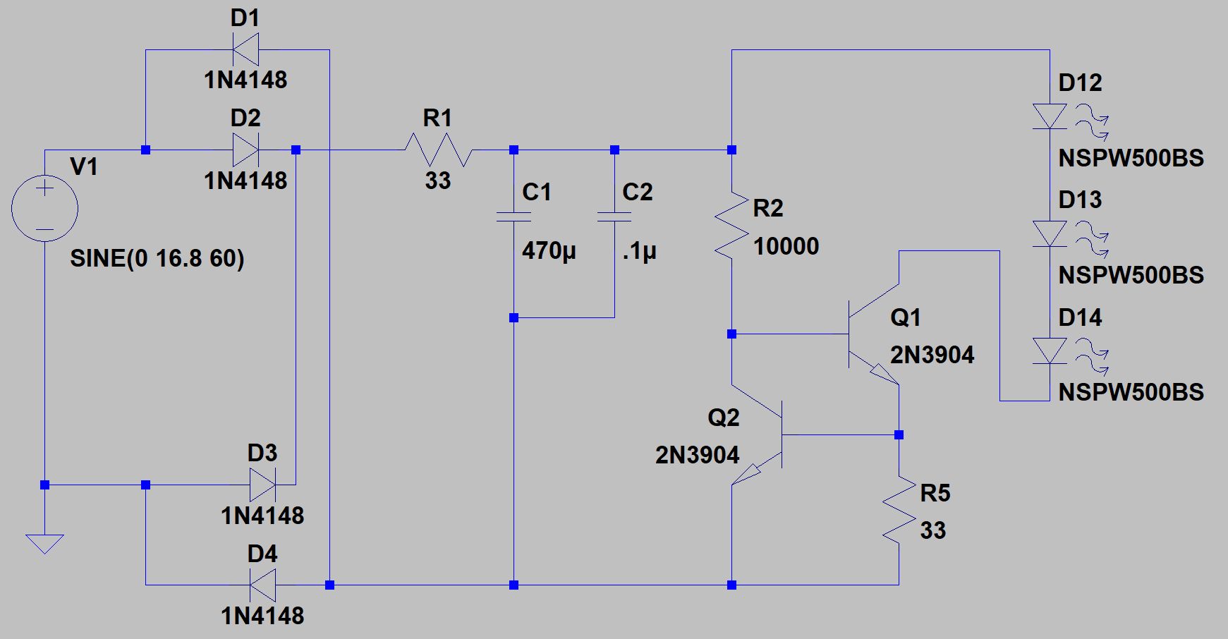
Circuit
A very simple circuit. Twelve volt ac power from a dusk-sensor light pole goes to a full-wave rectifier with a capacitive filter. The filtered voltage is current regulated to 20 mA and drives 3 LEDs in series.

Spotlight Schematic Diagram
|
Construction
Other details
The rat nest wired module is stuffed inside an inverted pill bottle. The bottle acts as a "diving bell" and keeps ground water away from the module.
The LEDs are glued in a sheet aluminum tube that limits light to the area of the house numbers. The tube is made in two parts so the top half with the LEDs can be slipped out of the bottom half, which is attached to the concrete casting
Copyright Dale Thompson,
15 May 2021 through
last revision on 15 May 2021